¡Ø¹®Àǽà »óǰ¹øÈ£¸¦ ¾Ë·ÁÁÖ¼¼¿ä
»óǰ»ó¼¼¼³¸í
TAROT AG-Drone Quick Release Prop Adaptor(24~30in/M04-Hole/CW/CCW)
Tarot»çÀÇ ´ëÇü ¹æÁ¦µå·Ð¿ë Äü ¸±¸®Áî ÇÁ·Ó ¾î´ðÅÍ ¼¼Æ®.
Ãʰ淮 ¾Ë·ç¹Ì´½ CNC °¡°øÀ¸·Î ¿øÅÍÄ¡·Î ÇÁ·Ó Àå/Å»ÂøÀÌ °¡´ÉÇÕ´Ï´Ù.
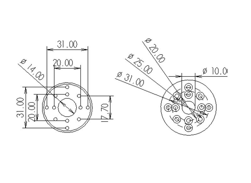
Bottom Mount´Â ¹ü¿ë ´ëÇü ¸ðÅÍ¿¡´Â ´ëºÎºÐ »ç¿ëÀÌ °¡´ÉÇϵµ·Ï ´Ù¾çÇÑ È¦ ±Ô°Ý´ë·Î °¡°øÀÌ µÇ¾î ÀÖ½À´Ï´Ù. (Çϱ⠴ÙÀ̾î±×·¥ ÂüÁ¶)
24~30inch±Þ MR ŸÀÔ Ä«º» ÇÁ·Ó(FE/TE °øÈ÷)¿¡ »ç¿ë °¡´ÉÇÕ´Ï´Ù.
¼¾ÅÍ È¦ ±¸°æÀº 4¥Õ(4mm) ÀÔ´Ï´Ù.
½Ã°è¹æÇâ(Clock Wise) ¹× ¹Ý½Ã°è ¹æÇâ(CCW) 2°³ ÇѼ¼Æ® ÀÔ´Ï´Ù.
¼ö·® : 1 Set(CW/CCW °¢ 1°³¾¿)
Á¤¹æÇâ/¿ª¹æÇâÀ» ½±°Ô ±¸ºÐÇϱâ À§Çؼ ½Ã°è ¹æÇâÀº Black, ¹Ý½Ã°è ¹æÇâÀº RED·Î ±¸ºÐÇØ¼ »ç¿ëÇÕ´Ï´Ù.
ÇÁ·Ó °íÁ¤¿ë º¼Æ® ¼¼Æ® Æ÷ÇÔ.
![[¾Ë¾¾¹ðÅ©] TL82QR2430-04 [TR] ´ëÇü ¹æÁ¦ µå·Ð¿ë Quick Release Prop Adaptor(24~30in/M04-Hole/CW/CCW) 1](/shop/data/editor/b6750a069b6bcd02.jpg)
- MR paddle Upper ¡¿ 2(CW/CCW) (38 ¡¿ 8.5mm) 21g/pcs
- MR paddle Lower ¡¿ 2 (CW/CCW) (42 ¡¿ 13.5mm) 21g/pcs
- M3 ¡¿ 10mm Hexa Screw bolt x 8 pcs
- M3 ¡¿ 20mm Hexa Screw Bolt x 8 pcs
<Á¦Ç° ÀåÂø ¿ä·É>
1. ¸ÕÀú ¿äÄÚ¸¦ ºÐ¸® ÈÄ 4°³ÀÇ M3x10mm Çí»ç º¼Æ®¸¦ ÀÌ¿ëÇØ¼ ·çÆ®¸¦ ¸ðÅÍ ¸¶¿îÆ®¿¡ °íÁ¤ÇÕ´Ï´Ù.
¸ðÅÍ¿¡ µû¶ó 4°³ÀÇ º¼Æ®°¡ ¾Æ´Ñ 2°³·Î °íÁ¤ÇÏ´Â °æ¿ìµµ ÀÖ½À´Ï´Ù.
![[¾Ë¾¾¹ðÅ©] TL82QR2430-04 [TR] ´ëÇü ¹æÁ¦ µå·Ð¿ë Quick Release Prop Adaptor(24~30in/M04-Hole/CW/CCW) 2](/shop/data/editor/5e1070ab0aa103b7.jpg)
2. ÇÁ·ÓÂÊ Upper Blockµµ ÇÁ·ÓÂÊ¿¡ M3x20mm ³ª»ç·Î °íÁ¤ÇÕ´Ï´Ù.
ÇÁ·ÓÀÇ Á¾·ù¿¡ µû¶ó 4°³ÀÇ º¼Æ®°¡ ¾Æ´Ñ 2°³·Î °íÁ¤ÇÏ´Â °æ¿ìµµ ÀÖ½À´Ï´Ù.
![[¾Ë¾¾¹ðÅ©] TL82QR2430-04 [TR] ´ëÇü ¹æÁ¦ µå·Ð¿ë Quick Release Prop Adaptor(24~30in/M04-Hole/CW/CCW) 3](/shop/data/editor/225c85a44a532201.jpg)
3. ÇÁ·Ó ¾î´ðÅÍÀÇ Ä¡¼ö´Â ¾Æ·¡ ´ÙÀ̾î±×·¥À» ÂüÁ¶Çϼ¼¿ä.
![[¾Ë¾¾¹ðÅ©] TL82QR2430-04 [TR] ´ëÇü ¹æÁ¦ µå·Ð¿ë Quick Release Prop Adaptor(24~30in/M04-Hole/CW/CCW) 4](/shop/data/editor/65fc08eddc7b221e.jpg)






